Two-stage liquid ring vacuum pumps are better designed than single-stage vacuum pumps. They have the advantage of higher capacity at high vacuum and also require less water at low pressure compared to other pumps.
APPLICATION: Dehydration and Filtration Process, Distillation, Evaporation & Drying, Deodorization, Evacuation, Sterilization, Conveying Senting & Sucking Moisture Extraction, Concentration.
MATERIAL OF CONSTRUCTION: Cast Iron, Partial Stainless steel, SS304, SS316, Bronze, Gun Metal, & As per process Requirement. Water Re-Circulation Possible without extra power consumption.
RANGE:
Capacity : 81 M3/hr. to 1200 M3/hr.
Vacuum : 720 mm of Hg
Power : 5 HP to 100 HP
SALIENT FEATURES: Simple & Rugged Construction, Trouble free operation, Easily handle dust laden gases
Technical Specifications
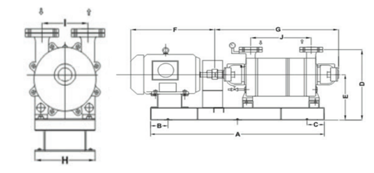
DIMENSIONS / KEY SIZES
| Model | A | B | C | D | E | F | G | H | I | J |
|---|---|---|---|---|---|---|---|---|---|---|
| LMT-5 | 900 | 150 | 150 | 485 | 320 | 385 | 615 | 275 | 200 | 270 |
| LMT-7 | 1000 | 150 | 150 | 485 | 320 | 470 | 705 | 275 | 200 | 370 |
| LMT-10 | 1100 | 150 | 150 | 568 | 368 | 508 | 78 | 320 | 235 | 465 |
| LMT-15 | 1250 | 125 | 125 | 568 | 368 | 571 | 885 | 320 | 235 | 575 |
| LMT-20 | 1450 | 125 | 125 | 568 | 368 | 625 | 1020 | 320 | 235 | 720 |
| LMT-25 | 1500 | 150 | 150 | 590 | 370 | 647 | 986 | 340 | 240 | 566 |
| LMT-30 | 1500 | 150 | 150 | 590 | 370 | 720 | 1020 | 340 | 240 | 600 |
| LMT-40 | 1780 | 140 | 140 | 685 | 325 | 785 | 1225 | 400 | 250 | 735 |
| LMT-60 | 2200 | 250 | 250 | 820 | 520 | - | 1550 | 825 | 380 | 785 |
| LMT-100 | *1805 | 250 | 250 | 1080 | 700 | - | 1955 | - | 500 | 1090 |
TECHNICAL SPECIFICATIONS
| Model | Max Cap (M3/Hr.) | WAT. REQ. (LPM) | REC. MOTOR (HP/RPM) |
|---|---|---|---|
| LMT-5 | 90 | 7 | 5 / 1440 |
| LMT-7 | 160 | 9 | 7.5 / 1440 |
| LMT-10 | 220 | 14 | 10 / 1440 |
| LMT-15 | 330 | 20 | 15 / 1440 |
| LMT-20 | 460 | 24 | 20 / 1440 |
| LMT-25 | 580 | 30 | 25 / 1440 |
| LMT-30 | 725 | 40 | 30 / 1440 |
| LMT-40 | 1100 | 60 | 40 / 1450 |
| LMT-60 | 1200 | 65 | 60 / 980 |
| LMT-100 | 1400 | 85 | 100 / 725 |
